
Make it stand out
Petro-Chemical
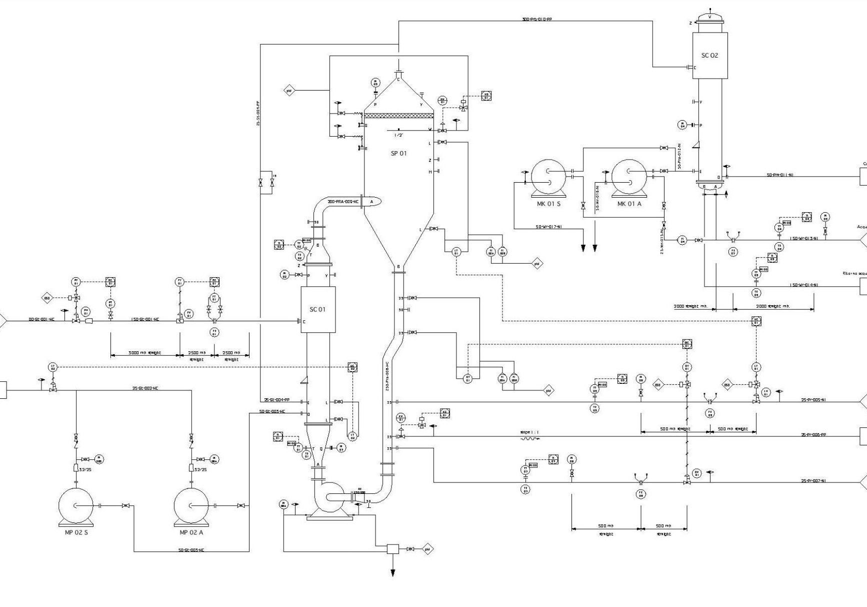
Navigate the complexities of petrochemical projects with specialized drawings.
Effectively communicate your workplace requirements with specialized drawings tailored to petrochemical projects at Xcell Drafting Design.
Weather it is a P&ID, a drawing to or 3D Model to ensure clearance issues are not an issue or some old records you would like high quality AutoCad / PDF files for reference.
We provide detailed documentation tailored to the unique requirements of the industry.

